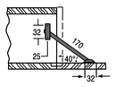
Non-Corrosive Drop Flap Stay

SKU: S815917S
filler

Price: Price Available by Request

Description

Selby's Non-Corrosive Drop Flap Stay is constructed of rigid nylon and is not affected by high humidity or tropical temperatures.

All holes are on 32mm centers. No catch is needed because there are positive stops at each end. This stay is reversible, it is not handed.

Available in a High Gloss Black Finish.

You may also like

Recently viewed